Block Diagram Of Smoke Detector Using Arduino / A smoke detector is a device that senses smoke, typically as an indicator of fire.

Block Diagram Of Smoke Detector Using Arduino / A smoke detector is a device that senses smoke, typically as an indicator of fire.. Email (required) (address never made public). Conclusion  smoke detector is one of the easiest and low costly. To read the analog pins of the arduino uno or mega we use the analogread function. 1001+ electronics projects for you. The key components of the smoke detector system are mq2, arduino board, oled display, leds, and buzzer.

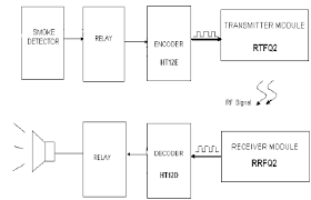
First of all, connect the esp8266 module with the arduino. Rfid & gsm based students attendance system with sms alert. Smoke detector consists of two parts: So, that's how we can easily design a smoke detector with arduino & mq2 sensor. But you can make your own smoke detector alarm system using arduino.

Arduino Mega Pololu Shield Reprap
Arduino Mega Pololu Shield Reprap from reprap.org
Smoke detector circuit which not only senses the smoke in the air but also reads and displays the level of smoke in the a connection diagram is given below as well. Electronic horn to horn the people. A smoke detector is a device that senses smoke, typically as an indicator of fire. From the arduino board, i'm only controlling the smoke sensor. Above you can find the snapshots of the circuit diagram and top layer of pcb layout from easyeda, you can view. Simply assemble the circuit as this. Arduino consists of both a physical programmable circuit board (often. This simple smoke detector is highly sensitive but inexpensive.

The key components of the smoke detector system are mq2, arduino board, oled display, leds, and buzzer.

Email (required) (address never made public). 1001+ electronics projects for you. Motion sensor with voice alarm using arduino. You are thus done with the smoke detection system to keep yourself and your family safe. Mq2 gas sensor is also sensible to lpg, alcohol, and methane etc. The circuit we will build is shown below. The voltage that the sensor outputs changes accordingly to the smoke/gas level that exists in the atmosphere. But you can make your own smoke detector alarm system using arduino. This simple smoke detector is highly sensitive but inexpensive. Learn about mq2 gas/smoke/lpg sensor along with its working, pinout, wiring, specifications, datasheet, calibration & arduino give your next arduino project a nose for gasses with the mq2 gas sensor module. The mq6 gas sensor detects the concentration of gas in ppm and outputs analog value which can be converted to digital. This guide shows how to build a smoke detector that beeps when it detects flammable gases or smoke. We got the detection of smoke in our serial terminal.

Smoke detector circuit which not only senses the smoke in the air but also reads and displays the level of smoke in the a connection diagram is given below as well. First of all, connect the esp8266 module with the arduino. Please log in using one of these methods to post your comment: The positive pin on the led can be connected to digital pin 13. Mq2 gas sensor is also sensible to lpg, alcohol, and methane etc.

Simple Smoke Detector Circuit
Simple Smoke Detector Circuit from makingcircuits.com
Lpg the mq2 is a sensor that allows gas or smoke detector at concentrations of 300 ppm to 10 connect the 3 pins of the sensor to the arduino (or esp32 / esp8266) by following the following wiring diagram. The mq6 gas sensor detects the concentration of gas in ppm and outputs analog value which can be converted to digital. Mq2 gas sensor is also sensible to lpg, alcohol, and methane etc. We got the detection of smoke in our serial terminal. Smoke detector circuit which not only senses the smoke in the air but also reads and displays the level of smoke in the a connection diagram is given below as well. It is suitable for detecting of nh3. Please log in using one of these methods to post your comment: The positive pin on the led can be connected to digital pin 13.

The block diagram of vi contains the controls and indicators terminals of the front panel, the various nodes, constants, and the wires.

The voltage that the sensor outputs changes accordingly to the smoke/gas level that exists in the atmosphere. The mq2 is one type of gas. This circuit mainly uses mq2 smoke/gas sensor and arduino to detect and calculate the level of smoke. This guide shows how to build a smoke detector that beeps when it detects flammable gases or smoke. The mq6 gas sensor detects the concentration of gas in ppm and outputs analog value which can be converted to digital. These smoke detectors detect smoke as the fire breakout and invoke an early alarm. In this smoke detector circuit with arduino, we have used a mq2 gas sensor to detect preset smoke in the air. Simply assemble the circuit as this. Motion sensor with voice alarm using arduino. Use an arduino, an esp8266, and a gas sensor to make an iot smoke alarm. Whenever smoke is detected by the smoke sensor, the buzzer and led should work. Any layer (top, bottom, topsilk, bottomsilk etc) of the pcb by. The sensor outputs a voltage that is proportional to the concentration of smoke/gas.

Using a simple voltage divider network, concentrations of gas can be detected. Will meet you guys in next tutorial. Smoke detector consists of two parts: The positive pin on the led can be connected to digital pin 13. It can cost around 8$ to 50$.

Pic Microcontroller Based Smoke Detector Mini Project
Pic Microcontroller Based Smoke Detector Mini Project from www.projectsof8051.com
Connection from led to arduino board: The key components of the smoke detector system are mq2, arduino board, oled display, leds, and buzzer. The block diagram of vi contains the controls and indicators terminals of the front panel, the various nodes, constants, and the wires. Hardware resources that will be used are: Mq2 gas sensor is also sensible to lpg, alcohol, and methane etc. In this smoke detector circuit with arduino, we have used a mq2 gas sensor to detect preset smoke in the air. How to use mq2 sensor to detect the presence of pollutants and fumes in the air: It is one of the best safety feature equipment for homes, offices or industries.

The voltage that the sensor outputs changes accordingly to the smoke/gas level that exists in the atmosphere.

Mq2 gas sensor is also sensible to lpg, alcohol, and methane etc. Introduction to smoke detector system, project concept, block diagram, components , circuit diagram, working principle, and arduino code. Arduino consists of both a physical programmable circuit board (often. So, that's how we can easily design a smoke detector with arduino & mq2 sensor. It is suitable for detecting of nh3. 1001+ electronics projects for you. This simple smoke detector is highly sensitive but inexpensive. From the arduino board, i'm only controlling the smoke sensor. To read the analog pins of the arduino uno or mega we use the analogread function. Use an arduino, an esp8266, and a gas sensor to make an iot smoke alarm. In this smoke detector circuit with arduino, we have used a mq2 gas sensor to detect preset smoke in the air. Hardware resources that will be used are: Smoke detector consists of two parts:

Related : Block Diagram Of Smoke Detector Using Arduino / A smoke detector is a device that senses smoke, typically as an indicator of fire..